Berechnung und Auslegung

Metallfedern sind essentielle Bauteile in einer Vielzahl von Anwendungen, von der Automobilindustrie über die Elektronik bis hin zur Medizintechnik. Damit Ihre Federn optimal funktionieren und die gewünschten Anforderungen erfüllen, ist eine sorgfältige Beratung, Auslegung und Berechnung unerlässlich. Genau dafür sind wir hier, um Ihnen professionelle Unterstützung anzubieten.

Unser erfahrenes Team aus Ingenieuren und Fachexperten verfügt über umfassendes Wissen und langjährige Erfahrung im Bereich der Metallfedern. Wir stehen Ihnen zur Seite, um Ihre individuellen Anforderungen zu verstehen und Ihnen maßgeschneiderte Lösungen anzubieten.

Unsere Leistungen umfassen:

Beratung: Wir nehmen uns die Zeit, Ihre spezifischen Anforderungen und Herausforderungen zu verstehen. Basierend auf unserem Fachwissen und unserer Erfahrung bieten wir Ihnen eine umfassende Beratung an. Wir stehen Ihnen zur Seite, um alle Fragen zu beantworten und Ihnen bei der Auswahl des richtigen Federtyps, der Werkstoffe und der Ausführung zu helfen.

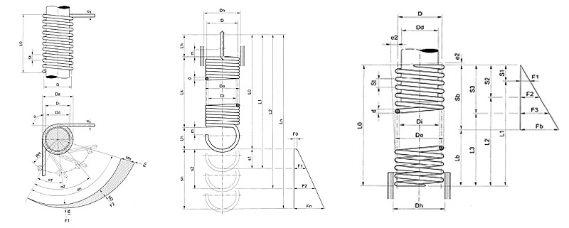
Auslegung: Mit Hilfe modernster Software und Berechnungsmethoden führen wir präzise Auslegungen Ihrer Metallfedern durch. Wir berücksichtigen Faktoren wie Belastungsanforderungen, Umgebungseinflüsse, Lebensdauererwartungen und Sicherheitsfaktoren, um sicherzustellen, dass Ihre Federn optimal dimensioniert sind.

Berechnung: Unsere Experten setzen ihre Fachkenntnisse und Berechnungswerkzeuge ein, um die mechanischen Eigenschaften Ihrer Metallfedern zu analysieren. Wir bestimmen Parameter wie Federsteifigkeit, Vorspannkraft, Durchbiegung und Ermüdungsfestigkeit, um sicherzustellen, dass Ihre Federn den gewünschten Anforderungen standhalten.

Optimierung: Wir suchen kontinuierlich nach Möglichkeiten, Ihre Metallfedern zu optimieren und ihre Leistungsfähigkeit zu verbessern. Durch die Anwendung modernster Techniken und Methoden können wir das Design und die Werkstoffe optimieren, um Gewicht zu reduzieren, Kosten zu senken und die Effizienz zu steigern.

Unser Ziel ist es, Ihnen hochwertige Metallfedern zu liefern, die Ihren Anforderungen in Bezug auf Belastbarkeit, Langlebigkeit und Zuverlässigkeit gerecht werden. Wir legen großen Wert auf eine enge Zusammenarbeit mit unseren Kunden, um sicherzustellen, dass wir Ihre spezifischen Bedürfnisse und Anforderungen erfüllen.

Kontaktieren Sie uns und lassen Sie sich von unserem Fachwissen und unserer Erfahrung im Bereich der Metallfedern überzeugen. Wir stehen Ihnen gerne zur Verfügung und freuen uns darauf, Ihnen bei der Beratung, Auslegung und Berechnung Ihrer Metallfedern behilflich zu sein.



Berechnung

Berechnung



Ihr Ansprechpartner für Anfragen, Beratung und Projekte:

Technischer Vertrieb
Tel: +49(0)2104/1400-178
info@wilhelm-becker.de